-
E-mail
1278306848@QQ.COM
-
Phone
13729963919/13724585026,13923779714,13592764703
-
Address
Zhaxi Village Industrial Avenue, Shatian Town, Dongguan City
Dongguan Runyang Precision Machinery Co., Ltd
1278306848@QQ.COM
13729963919/13724585026,13923779714,13592764703
Zhaxi Village Industrial Avenue, Shatian Town, Dongguan City
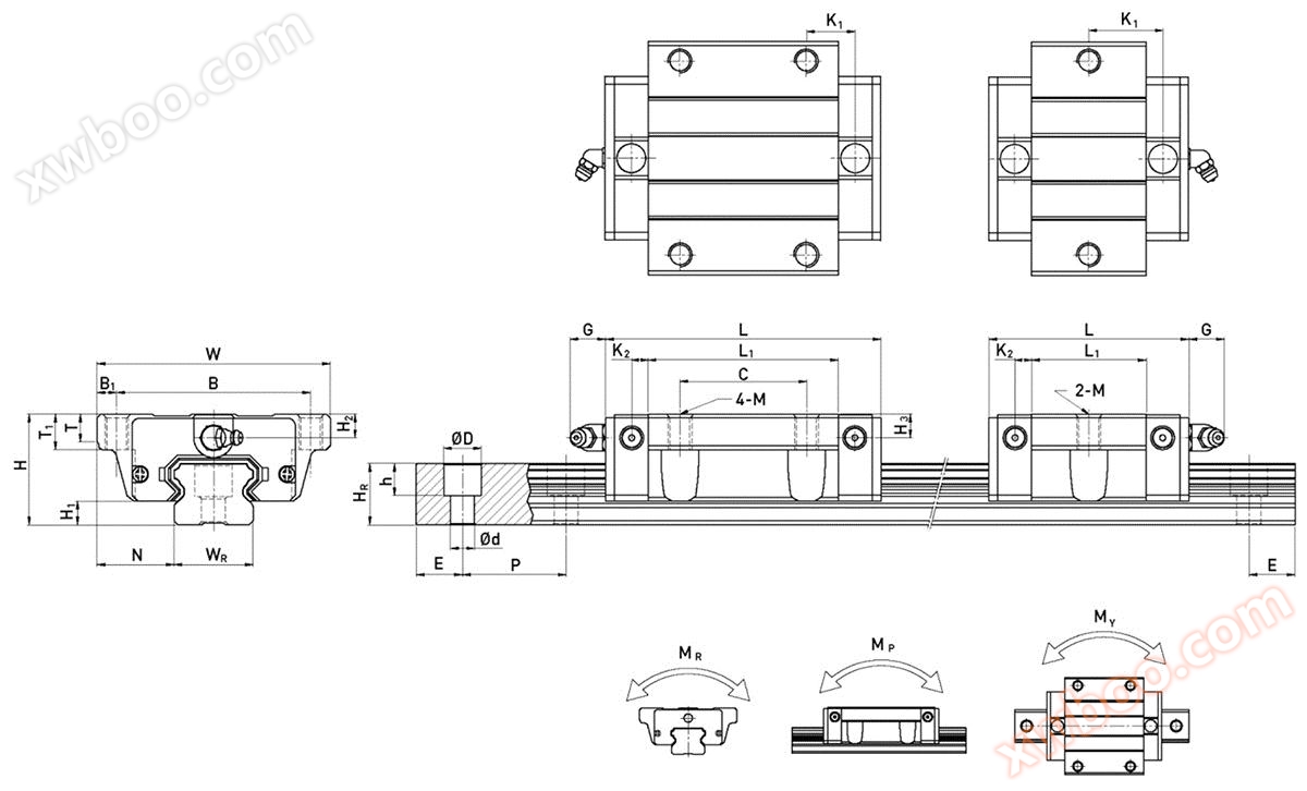
| model | Component size (mm) | Slide size (mm) | Guide rail size (mm) | Fixing of guide rails Bolt size |
Basic dynamic rating load |
Basic static rating load |
Allowable static moment | weight | ||||||||||||||||||||||||
| H | H1 | N | W | B | B1 | C | L1 | L | K1 | K2 | G | M | T | T1 | H2 | H3 | WR | HR | D | h | d | P | E | (mm) | c(kn) | C0(kn) | MRkgf-m | MPkgf-m | MYkgf-m | Sliding block kg | Guide rail kg/m | |
| REW 15SA | 24 | 4.5 | 18.5 | 52 | 41 | 5.5 | - | 23.1 | 40.1 | 14.8 | 3.5 | 5.7 | M5 | 5 | 7 | 5.5 | 6 | 15 | 12.5 | 7.5 | 5.3 | 4.5 | 60 | 20 | M4x16 | 5.35 | 9.40 | 0.08 | 0.04 | 0.04 | 0.12 | 1.25 |
| REW 15CA | 26 | 39.8 | 56.8 | 10.15 | 7.83 | 16.19 | 0.13 | 0.10 | 0.10 | 0.21 | ||||||||||||||||||||||
| REW 20SA | 28 | 6 | 19.5 | 59 | 49 | 5 | - | 29 | 50 | 18.75 | 4.15 | 12 | M6 | 7 | 9 | 6 | 6 | 20 | 15.5 | 9 5 | 8 5 | 6 | 60 | 20 | M5x16 | 7.23 | 12.74 | 0.13 | 0.06 | 0.06 | 0.19 | 2.08 |
| REW20CA | 32 | 48.1 | 69.1 | 12.3 | 10.31 | 21.13 | 0.22 | 0.16 | 0.16 | 0.32 | ||||||||||||||||||||||
| REW 25SA | 33 | 7 | 25 | 73 | 60 | 6 5 | - | 35.5 | 59.1 | 21.9 | 4.55 | 12 | M8 | 7.5 | 10 | 8 | 8 | 23 | 18 | 11 | 9 | 1 | 60 | 20 | M6x20 | 11.40 | 19.5 | 0.23 | 0.12 | 0.12 | 0.35 | 2.67 |
| 16.27 | 32.40 | 0.38 | 0.32 | 0.32 | 0.59 | |||||||||||||||||||||||||||
| REW 25CA | 35 | 59 | 82.6 | 16.15 | ||||||||||||||||||||||||||||
| REW 30SA | 42 | 1 0 |
3 1 |
9 0 |
7 2 |
9 | - | 41.5 | 69.5 | 26.75 | 6 | 12 | M10 | 7 | 10 | 8 | 9 | 2 8 |
2 3 - |
1 4 |
1 2 |
9 | 80 | 20 | M8x28 | 16.42 | 28.10 | 0.40 | 0.21 | 0.21 | 0.62 | 4.35 |
| REW 30CA | 40 | 70.1 | 98.1 | 21.05 | 23.70 | 47.46 | 0.68 | 0.55 | 0.55 | 1.04 | ||||||||||||||||||||||

(1) The guide rail and slider move relative to each other through the rolling of steel balls. The sealed end caps and lower seals at both ends can effectively prevent dust and other foreign objects from entering the interior of the slider. Lubrication of the steel ball return track through the oil nozzle is sufficient and convenient.
(2) Adopting four columns of circular arc contact, it runs smoothly. A contact angle of 45 degrees can withstand common loads in four directions: up, down, left, and right, and the load-bearing capacity can be changed by adjusting the number of sliders.
(3) The friction mode of linear guide is rolling friction system, with the friction coefficient reduced to 1/40 of sliding track, and the difference between dynamic friction force and static friction force is extremely small. Therefore, linear guide has good tracking performance, which is beneficial to improve the response speed and sensitivity of CNC system, achieve seamless connection, and have high positioning accuracy.
(4) The friction resistance of linear guides is small, lubrication is convenient and effective, and the contact surface wear is low, so the accuracy and performance are stable and long-lasting.
(5) Due to the low frictional resistance, the driving power consumption is reduced and the mechanical structure is reduced, thereby achieving the miniaturization, high-speed, and low energy consumption of the equipment.
(6) The linear guide rail is installed on a processed plane according to certain assembly steps, and can achieve high precision without special treatment such as scraping or grinding. The guide rail slider has mutual interaction, easy replacement, and does not affect the accuracy of use.